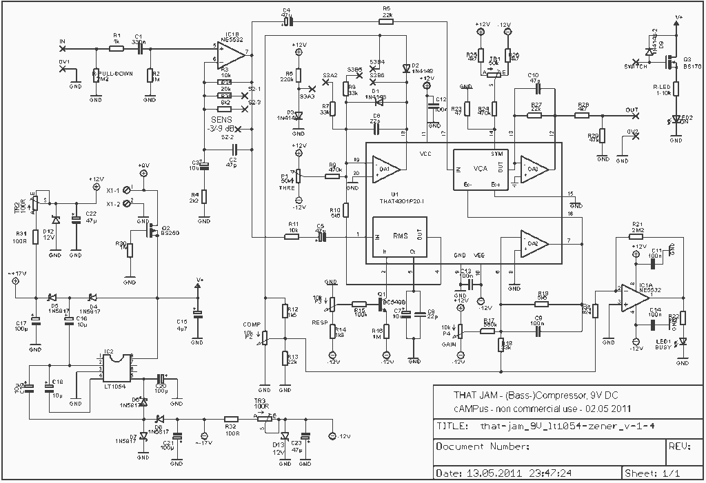
Kompressor mit THAT-Prozessor 4301
ausführliche Bauanleitung im Musiker-Board
entwickelt in Zusammenarbeit von Musiker-Board-User AK und mir
Bilder und Dokumente:




Kompressor mit THAT-Prozessor 4301
ausführliche Bauanleitung im Musiker-Board
entwickelt in Zusammenarbeit von Musiker-Board-User AK und mir
Bilder und Dokumente:



